Крутизна характеристики:
Она определяет влияние изменения напряжения на затворе на изменение тока стока. Числовое значение крутизны зависит от напряжения на затворе. С увеличением Uзи ток стока и крутизна уменьшаются. Беря производную от (5.9), находим значение крутизны в области насыщения:
Вводя обозначение
, получаем (5.11)
Знак минус в определении крутизны обусловлен тем, что под Uзи понимается абсолютная величина. Заметим, что крутизна при нулевом напряжении на затворе (Uзи=0) равна максимальной проводимости канала, т.е.
Выходное сопротивление
Согласно выражению (5.9) стоковый ток в области насыщения не зависит от напряжения сток-исток и должно быть равно бесконечности. Однако реальные стоковые характеристики имеют положительный наклон, что обусловлено модуляцией длины канала: с ростом Uси длина канала L уменьшается, уменьшается сопротивление канала Rk0, и ток стока несколько возрастает. Поэтому имеет конечную величину. Например, значение выходного сопротивления маломощных полевых транзисторов обычно лежит в пределах 10 – 100кОм.
3) Коэффициент усиления:
Параметры , и связаны между собой соотношением .
Цепь затвора характеризуется входным сопротивлением транзистора:
В качестве параметров указывают напряжение отсечки Uзиотс; ток насыщения стока при короткозамкнутом истоке и затворе (Uзи=0); емкости: затвор – сток Сзс, затвор – исток Сзи, сток – исток Сси, подложка — исток Спи, граничную частоту
где — постоянная времени цепи затвора.
Емкость затвора определяется как
Из–за довольно высокой емкости затвора и низкой крутизны вольт-амперной характеристики кремниевые полевые транзисторы с управляющим p-n переходом имеют невысокую предельную частоту и применяются в основном для усиления сигналов в области низких и средних частот. Это объясняется невысокой подвижностью электронов в кремнии. Поэтому было предложено использовать новые полупроводниковые материалы с более высокой подвижностью электронов, в частности арсенид галлия (GaAs).
Чтобы сохранить основные преимущества полевых транзисторов (работа на основных носителях заряда) и использовать новые более перспективные материалы, была предложена другая конструкция полевого транзистора – полевой транзистор с барьером Шоттки. В настоящее время именно такую конструкцию имеют СВЧ полевые транзисторы из GaAs. В этих приборах с длиной канала 0,25 мкм получена граничная частота
Устройство полевого транзистора с барьером Шоттки качественно похоже на устройство рассмотренного выше полевого транзистора с управляющим p-n переходом. Отличием является то, что в этом транзистоте затвором является контакт металл-полупроводник, а тонкий слой проводящего полупроводника с характерной концентрацией n≈ 3∙10 17 см -3 получен эпитаксиальным наращиванием на полуизолированную подложку, изготовленную из GaAs.
Подобно биполярным транзисторам, полевые транзисторы используют в трех основных схемах включения: с общим истоком (ОИ), общим стоком (ОС) и общим затвором (ОЗ).Усилительный каскад по схеме ОИ аналогичен схеме ОЭ. Схема ОС подобна эмиттерному повторителю и называется истоковым повторителем. Схема ОЗ аналогична схеме ОБ. Схема не усиливает тока, поэтому коэффициент усиления по мощности во много раз меньше, чем в схеме ОИ. Эта схема имеет малое входное сопротивление, так как входным током является ток стока. Фаза напряжения при этом не инвертируется.
34) Крутизна и напряжение отсечки пт.
- Крутизна — один из основных параметров полевого транзистора, характеризующий его усилительные свойства. Крутизна представляет собой отношение изменения тока стока
к изменению напряжения на затворе
при коротком замыкании по переменному току на выходе транзистора т.е. на стоке. Крутизна передаточной характеристики полевого транзистора
обычно составляет несколько миллиампер на вольт. С ростом отрицательного напряжения на затворе значение крутизны характеристики транзистора будет уменьшаться, т.к. при увеличении отрицательного напряжения на затворе будет увеличиваться ОПЗ перехода затвора и уменьшаться толщина проводящего канала. Вблизи напряжения отсечки толщина канала вместе с током стока уменьшается до нуля, сопротивление канала возрастает и крутизна падает до нуля.
- Управление полевым транзистором осуществляется напряжением на затворе. Поэтому для количественной оценки управляющего действия затвора используют крутизну характеристики: s=dIc/dUзи при Uси=const. Крутизна характеристики достигает максимального значения при Uзи=0. Крутизну характеристики полевого транзистора можно определить графоаналитическим способом. Для этого необходимо провести касательную к стокзатворной характеристики в точке Uзи=0. Наклон этой касательной и определит значение S.
Увеличение ширины канала и степени легирования приведёт к росту крутизны транзистора, потому что при прочих равных условиях, рост числа электронов и размеров области приведёт к уменьшению сопротивления и, следовательно, обеспечит больший ток стока при том же напряжении на затворе. Следовательно, крутизна увеличится. Существенно, что толщина канала одинаково увеличивает крутизну и напряжение отсечки. Ширина канала увеличивает только крутизну, но не влияет на напряжение отсечки. Напряжение отсечки:
- Ток стока имеет слабую зависимость от напряжения сток–исток, поэтому передаточная характеристика изображена в виде одной кри- вой, исходящей из точки UЗИ = Uотс. Это напряжение называется на- пряжением отсечки, при достижении которого транзистор полностью закрыт. По мере уменьшения отрицательного напряжения на затворе ток стока увеличивается в соответствии с уравнением , (3.1) где I0 – ток насыщения транзистора при UЗИ = 0. 2 ЗИ C 0 отс 1 U I I U
Напряжение отсечки будет расти с ростом степени легирования канала транзистора, потому что чем больше число доноров в ОПЗ, тем труднее удалить из канала подвижные электроны. Аналогично с толщиной, необходимо большее напряжение, чтоб удалить все электроны в подложку из толстого канала.
- НАПРЯЖЕНИЕ ОТСЕЧКИ (у полевого транзистора) — параметр полевого транзистора с управляющим p-n переходом, определяющий значение напряжение между затвором и стоком, при котором происходит насыщение тока стока, т.е. ток стока перестает зависеть от напряжения на стоке относительно истока.
Поскольку ОПЗ обладает высоким сопротивлением, то при увеличении ширины ОПЗ сечение канала уменьшается и его сопротивление возрастает. Самое низкое сопротивление канала и, соответственно, самый большой ток через него будет при нулевом напряжении на затворе (Uз = 0), затем по мере увеличения ширины ОПЗ при возрастании Uз и, соответственно, уменьшении сечения канала ток будет падать и при некотором напряжении отсечки Uзо канал полностью перекроется и ток через него перестанет возрастать. Соответствующие вольтамперные характеристики ПТУП приведены на рис. 77.
Рис. 77. Вольтамперные характеристики полевого транзистора с управляющим pn переходом.
11.03.2016 516.79 Кб 21 3.pdf
11.03.2016 43.91 Кб 457 3.Равномерное прямолинейное движение.docx
27.03.2015 18.86 Mб 24 3031 часть 1.rtf
27.03.2015 606.72 Кб 20 3031 часть 2.doc
27.03.2015 3.2 Mб 30 3063.doc
20.12.2018 354.56 Кб 32 31-35.docx
04.08.2019 36 Кб 16 31-37.docx
27.03.2015 4.93 Mб 13 32-43.doc
04.09.2019 94.25 Кб 22 32. Радикальная экономическая реформа.docx
28.07.2019 35.27 Mб 18 325_1_5.rtf
28.07.2019 96.4 Mб 11 325_3.rtf
Ограничение
Для продолжения скачивания необходимо пройти капчу:
Крутизна характеристики полевого транзистора

отношение изменения тока стока к изменению напряжения на затворе при коротком замыкании по переменному току на выходе транзистора в схеме с общим истоком.
Поделиться
- Telegram
- Вконтакте
- Одноклассники
Научные статьи на тему «Крутизна характеристики полевого транзистора»
Истоковый повторитель на МДП транзисторе
— это схема на полевом транзисторе, в которой стандартное напряжение снимается с резистора в цепи истока.
по напряжению рассчитывается по следующей формуле: $К = (S*rds*Rl) / ((rds+Rl)*(1+S*rds))$ где: S — крутизна.
транзистора; rds — внутреннее сопротивление канала транзистора в активном режиме.
с максимальной крутизной (то есть быть близкой к нулю).
Крутизна передаточной характеристики в рабочей точке рассматриваемого повторителя рассчитывается по формуле
Автор Демьян Бондарь
Источник Справочник
Категория Электроника, электротехника, радиотехника
Статья от экспертов
Прибор для измерения крутизны маломощных полевых транзисторов
Представлена разработка прибора на базе микроконтроллера для измерения крутизны маломощных полевых транзисторов. Приведены структурная схема, принципиальная электрическая схема, а также алгоритм работы прибора. Дана принципиальная схема блока питания устройства и его нагрузочные характеристики. Результаты измерения крутизны полевых транзисторов различных типов представлены в виде таблицы.
Автор(ы) Судоргин С.А.
Источник Математическая физика и компьютерное моделирование
Научный журнал
Моделирование структур аттенюаторов на полевых транзисторах с минимальным изменением фазового сдвига при регулировании ослабления
Рассмотрены управляемые аттенюаторы поглощающего типа на полевых транзисторах с затвором Шоттки: Т-образная, Т-образная мостовая схемы и аттенюатор на транзисторе в режиме с управляемой крутизной вольтамперной характеристики. Проведено моделирование фазочастотных характеристик аттенюаторов. Главное отличие схем от ранее известных заключается в введении корректирующих цепей, что обуславливает широкополосность и больший диапазон вносимых ослаблений с минимумом фазового сдвига при регулировании. Найдены оптимальные параметры корректирующих цепей в аттенюаторах. Показано, что наименьший фазовый сдвиг обеспечивается в аттенюаторе на транзисторе в режиме с управляемой крутизной вольтамперной характеристики. Дана сравнительная оценка рассмотренных базовых структур.
Измерение параметров полевых транзисторов
Прибор для проверки основных параметров маломощных полевых транзисторов выполнен на основе недорогих цифровых мультиметров, возможно, даже с неисправными переключателями пределов измерения. Это минимизировало затраты труда по монтажу и изготовлению конструкции. Цифровые показания несколько облегчают сравнение транзисторов и подбор пар для дифференциальных каскадов. Крутизну транзисторов определяют простейшим расчетом.
По роду своей деятельности мне часто приходится ремонтировать контрольно-измерительную аппаратуру с полевыми транзисторами. Они применяются в модуляторах, входных каскадах усилителей в осциллографах и цифровых вольтметрах, коммутационных устройствах и пр. Например, в вольтметре В7-38 установлено около 30 транзисторов серии КП301. Эти транзисторы очень чувствительны к статическому электричеству, и малейшее несоблюдение технологии монтажа приводит к выходу их из строя. Большинство неисправностей приборов, которые связаны с выходом из строя полевых транзисторов, удается устранить простой заменой, но если транзисторы используют в дифференциальных или «симметричных» каскадах, их необходимо подобрать по основным параметрам.

Рис. 1
К основным параметрам полевых транзисторов относятся начальный ток стока, напряжение отсечки и крутизна характеристики. Определить их, а следовательно, и принять решение о пригодности полевого транзистора к использованию возможно с помощью устройства, схема которого изображена на рис. 1. Изменяя напряжение на затворе и контролируя ток стока, можно узнать все три основных параметра. Для транзисторов с затвором на основе р-n перехода или с изолированным затвором и встроенным каналом начальный ток стока IСнач — это ток стока при нулевом значении напряжения на затворе. Напряжение отсечки U3иотс — напряжение на затворе, при котором ток стока достигает близкого к нулю значения. Крутизна характеристики определяется как отношение изменения тока стока ΔIС (мА) к вызвавшему его изменению напряжения между затвором и истоком ΔUзи (В): S = ΔIС/Δ U3и- Применив в приборе цифровые измерители тока и напряжения, вычислить значение крутизны для транзисторов любой структуры будет несложно.
Крутизна S полевого транзистора с управляющим р-n переходом зависит от напряжения затвор- исток U3и и имеет максимальное значение Smax при напряжении на затворе, равном нулю. Если измерены значения начального тока стока IСнач и напряжения отсечки U3иотс. крутизну можно приблизительно оценить по формулам:
где напряжение — в вольтах, ток — в миллиамперах, крутизна — в размерности мА/В [1].
Для транзисторов с изолированным затвором крутизну при токе стока Ic и напряжении Uзи можно рассчитать по формуле
S = 2Ic/|Uзи — Uзиотс|
где UЗИотс — напряжение отсечки либо пороговое напряжение (для транзисторов с индуцированным затвором).
На основе макета этого устройства изготовлен прибор для оперативного измерения основных параметров полевых транзисторов и контроля их работоспособности.
Технические характеристики
Измеряемое напряжение на затворе, В . -12. +12
Разрешающая способность вольтметра, мВ. 10
Измеряемый ток стока, мА . .-20. +20
Разрешающая способность миллиамперметра, мкА. 10
Погрешность измерения IСнач и Uзи, %, не более . 1
Ток потребления прибора, мА, не более . 60

В приборе есть защита проверяемого транзистора от повреждения.
Схема измерителя изображена на рис. 2. Для изменения напряжения на затворе транзистора используется переменный резистор R2, подключенный к двухполярному источнику питания 2×12 В, что позволяет получить характеристику крутизны любого полевого транзистора малой мощности как с n-каналом, так и с р-каналом. Резистор R3 необходим для ограничения тока затвора. Полярность напряжения на стоке изменяют переключателем SB1. Для исключения перегрузки миллиамперметра использован ограничитель тока на транзисторе VT1 и резисторе R1. Ограничение возникает при токе 25 мА, поскольку максимальный измеряемый ток выбран равным 20 мА. Диодный мост VD1 обеспечивает действие ограничителя при любом направлении тока стока. Реле К1 и К2 предотвращают выход из строя измеряемого полевого транзистора от статического электричества: пока не нажата кнопка «Измерение» SB2, обмотка реле отключена, а контакты для подключения транзистора замкнуты между собой и на общий провод. При измерении кнопка нажата и через контакты реле транзистор подключен к измерительным цепям. Светодиод HL1 сигнализирует о том, что происходит процесс измерения.
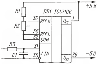
Главная часть устройства — миллиамперметр РА1 и вольтметр PV1 — собрана из готовых узлов мультиметров M890D. Основа этих мультиметров — широко известная микросхема ICL7106. Эти приборы выбраны из-за удобного большого корпуса, чтобы снизить трудозатраты при изготовлении измерителя параметров. Питание аналого-цифрового преобразователя (АЦП) мульти-метра — от двухполярного источника питания +5/-5 В, необходимого для микросхем АЦП и остальных частей устройства. Микросхема АЦП имеет такую возможность, если мультиметр доработать так, как показано на фрагменте схемы на рис. 3 (нумерация элементов условная).

Рис. 3
В основном включении, используемом при батарейном питании, выводы 30,32 и 35 соединены вместе. При двух-полярном питании вывод 30 (низкоуровневая цепь АЦП) отключают от этой точки. В этом случае микросхема измеряет разность потенциалов между выводами 30 и 31, при этом вход АЦП отвязан от цепей питания. Единственное условие — напряжение в любой из измерительных цепей не должно превышать напряжения питания АЦП относительно общего провода. Такая доработка описана в [2].
При минимальных переделках микросхема обеспечивает измерение напряжения до 200 мВ без делителей. Для построения вольтметра с пределом 20 В, необходимого для измерения напряжения затвора, использован делитель 1:100, состоящий из резисторов R5 и R6. Для построения миллиамперметра с пределом измерения 20 мА служит резистор R7. При токе 20 мА на нем падает напряжение 200 мВ, которое и измеряет АЦП. Миллиамперметр установлен в цепь истока и измеряет ток транзистора. Такое решение продиктовано невозможностью измерять ток в цепи стока, потому что на измерительных выводах миллиамперметра может присутствовать напряжение, превышающее питающее для микросхемы АЦП. Вольтметр включен между затвором и истоком, поэтому через делитель R5R6 будет протекать ток с максимальным значением не более 12мкА, что будет вызывать ошибку в показаниях миллиамперметра в одну единицу младшего разряда, которая оказывается несущественной.
Схема блока питания прибора изображена на рис. 4.

Для понижения сетевого напряжения до 12 В используется трансформатор Т1. Далее переменное напряжение выпрямляется диодным мостом VD1 и фильтруется конденсаторами С1, С2. Стабилизаторами двухполярного напряжения +12/-12В служат микросхемы DA1, DA2. Двухполярное напряжение +5/-5 В стабилизирует микросхемы DA3 и DA4. Стабилизаторы включены последовательно для уменьшения падения напряжения на стабилизаторах DA3 и DA4. Схема двухполярного источника питания может быть любой другой; возможно даже использовать автономное питание, например от батарей «Корунд». Для этого потребуется добавить преобразователь напряжения батареи в необходимое для питания остальных узлов измерителя.

Рис. 5
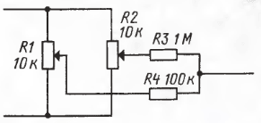
Детали и конструкция. В приборе можно применить следующие детали. Резисторы R5-R7 — С2-29 или другие с допуском не более ±0,5 %, хотя номиналы могут отличаться от указанных на схеме; главное — стабильность сопротивления. Остальные резисторы — любые, например МЛТ0.125. Переменный резистор R2 — многооборотный, например, РП1-53 или предназначенный для прецизионной регулировки (по гру-боточной схеме) — СП5-35, СП5-40.
Если найти такой не удастся, резисторы R2 и R3 можно заменить аналогом — узлом из двух переменных и двух постоянных резисторов, как это сделано в моей конструкции. Схема такого узла изображена на рис. 5. Резистором R1 напряжение устанавливают грубо, a R2 — точно.
Светодиод можно заменить другими, например, из серий АЛ 102, АЛ307, КИПД, лучше красного цвета свечения. Диодные мосты — КЦ407 с любой буквой, вместо них можно применить отдельные кремниевые диоды с допустимым средним током не менее 200 мА в выпрямителе и 100 мА — в ограничителе тока. Для упрощения конструкции применены микросхемы интегральных стабилизаторов 7812, 7912, 7805 и 7905, отечественные аналоги которых — соответственно КР142ЕН8Б, КР1162ЕН12А, КР142ЕН5А и КР1162ЕН5А.
Реле — РЭС60 (исполнение РС4.569.435-07) или аналогичные с двумя контактными группами на переключение.
Сетевой трансформатор Т1 -любой, обеспечивающий выходные напряжения 2х 15 В и ток не менее 100 мА, его можно взять из сетевого адаптера мощностью не менее 6 Вт. Вторичную обмотку такого трансформатора перематывают для получения нужного двухполярного напряжения. Трансформатор и выпрямитель размещены в корпусе адаптера, а элементы стабилизатора расположены в корпусе прибора. Прибор соединяется с адаптером трехпроводным кабелем.
Весь измеритель сооран в корпусе одного из мультиметров. При изготовлении прибора мультиметры были вскрыты и после удаления ненужных частей плат объединены в одном корпусе, как показано на рис. 6.

Рис. 6
Лишние детали — резисторы делителя, переключатель и прочее — удаляют (поэтому поводом для изготовления такого прибора может быть неустранимый дефект переключателя подобного мультиметра). Оставляют только часть платы с микросхемой ICL7106, индикатором, элементами «обвязки» микросхемы и индикатора и кнопками включения, которые выполнят роль переключателей SB1, SB2. Печатные проводники, идущие к этим переключателям, должны быть обрезаны.
Нижнюю крышку мультиметра обработке не подвергают, а верхнюю придется доработать. У одного прибора крышку спиливают так, чтобы осталась только часть с индикатором и кнопкой. У второго вырезают середину там, где находится переключатель пределов, и на это место вклеивают вырезанную часть конструкции первого прибора. При вырезании частей от верхних крышек сохраняют стойки, в которые ввинчивают винты-саморезы, скрепляющие верхнюю и нижнюю крышки. Сверху, около кнопки, крепят резистор, регулирующий напряжение на затворе. Снизу устанавливают разъем для подключения полевых транзисторов. В качестве разъема использована цанговая панель для микросхем. Середину панели вырезают, и ряд контактов склеивают. Выбор цанговой панели обусловлен высокой износостойкостью.
В моей конструкции применена небольшая плата из фольгированного текстолита, на которой устанавливают панель, светодиод и реле. В свою очередь, плату двумя винтами крепят к лицевой панели. Лишние отверстия на лицевой панели заклеивают вырезанной по размеру пластиной из пластмассы или электрокартона, на которую приклеивают отпечатанную на принтере накладку, ее вид показан на рис. 7.

Рис. 7
Большинство транзисторов имеют цилиндрический корпус с меткой-ключом для определения выводов. Контакты разъема для подключения полевых транзисторов соединяются между собой согласно назначению таким образом, чтобы у каждого типа транзисторов было свое место без необходимости уточнять цоко-левку. В предлагаемом варианте транзисторы устанавливают ключом вверх. Соединения отдельного вывода корпуса транзисторов с истоком, а второго затвора транзисторов серий КП306, КП350 — со стоком обеспечивают через разъем перемычками между соответствующими гнездами. Внешний вид готового прибора показан на рис. 8.

Рис. 8
Перед первым включением прибора необходимо проверить значения выходных напряжений стабилизатора. Налаживание прибора заключается в настройке ограничителя тока и установке образцовых напряжений миллиамперметра и вольтметра. Для настройки ограничителя надо подключить образцовый миллиамперметр между контактами «С» и «И» разъема для подключения измеряемого транзистора, нажать на кнопку «Измерение» и подобрать резистор R1, добиваясь показаний 25. 30 мА. Можно заранее подобрать транзистор по параметру ограничения тока, тогда резистор R1 заменяют перемычкой. Далее образцовый миллиамперметр последовательно с переменным резистором подсоединяют к этим же контактам, устанавливают ток 10 мА и резистором настройки образцового напряжения добиваются тех же показаний миллиамперметра прибора. Для настройки вольтметра образцовый вольтметр подключают к выводам «3» и «И», резистором прибора устанавливают напряжение затвора 10 В и резистором регулировки вольтметра прибора устанавливают те же показания.
Ввиду того что полевые транзисторы могут выйти из строя из-за статического электричества, может быть рекомендована следующая методика работы с прибором. Перед подключением все выводы полевого транзистора следует замкнуть проволочной перемычкой между собой. На приборе устанавливают тип проводимости канала (п- или р-канал), кнопка «Измерение» отжата. Полевой транзистор подключают к своему гнезду, перемычку с выводов снимают, нажимают на кнопку «Измерение» и контролируют его параметры. После измерения отжать кнопку, замкнуть выводы транзистора между собой и вынуть транзистор из панельки.
С помощью прибора легко диагностировать любой вид неисправности полевых транзисторов. Как показала практика, большинство неисправностей транзисторов сводится к большому току утечки затвора, пробою или обрыву канала либо внутреннему разрыву одного из выводов. Если при нажатии на кнопку «Измерение» напряжение на затворе уменьшится по сравнению с установленным, то имеет место утечка тока с затвора. Показания миллиамперметра не будут нулевыми при любом напряжении на затворе. Во всех других случаях невозможность измерить начальный ток стока и напряжение отсечки говорит о неисправности измеряемого полупроводникового прибора.
- Титце У., Шенк К. Полупроводниковая схемотехника. — М.: Мир, 1983.
- Садченков Д. А. Современные цифровые мультиметры. — М.: СОЛОН-Р, 2001.
Автор: В. Андрюшкевич, г. Тула
Рекомендуем к данному материалу .
- Приставки для измерения коэффициента нелинейных искажений — Кг | Измерительная техника
- Измеритель Емкости — приставка к тестеру | Измерительная техника
Мнения читателей
- МСА / 01.07.2014 — 08:39 Подумываю сделать такой прибор, детали есть, только надо приобрести второй Б/У мультимметр можно неисправный.
- дмитрий / 09.03.2014 — 12:45 очепятка на схеме (рис 2) :вывод затвора и вывод стока проверяемого транзистора должны быть подключены к подвижным контактам реле к1 а не «висеть» в воздухе
- Ник / 11.03.2013 — 13:25 было бы желание! Так точнее!
- Сергей / 08.04.2011 — 11:37 Ну а реле в схеме зачем? Вот схема, где переключение между n-канальным и p-канальным, равно как и все другие переключения, производятся одиночным переключателем: http://sezador.radioscanner.ru/pages/articles/sources/jfetester.htm
- fariz huseynov . / 24.03.2010 — 15:14 mumkunse ume olunsun eyer mumkunse melumatlar azerbaycan dilinde terc
- Алексей / 05.02.2010 — 07:41 Ага еще проще если бы можно купить, а главное быстрее.
- Александр / 13.06.2008 — 10:00 Идея хорошая было-бы время сам сделал бы.