Как регулировать скважность на 555

| Текущее время: Сб мар 16, 2024 03:11:49 |
Часовой пояс: UTC + 3 часа
Запрошенной темы не существует.
Часовой пояс: UTC + 3 часа

Powered by phpBB © 2000, 2002, 2005, 2007 phpBB Group
Русская поддержка phpBB
Extended by Karma MOD © 2007—2012 m157y
Extended by Topic Tags MOD © 2012 m157y
Работоспособность сайта проверена в браузерах:
IE8.0, Opera 9.0, Netscape Navigator 7.0, Mozilla Firefox 5.0
Адаптирован для работы при разрешениях экрана от 1280х1024 и выше.
При меньших разрешениях возможно появление горизонтальной прокрутки.
По всем вопросам обращайтесь к Коту: kot@radiokot.ru
©2005-2024
Генератор с независимой регулировкой ширины и частоты импульсов

Автоколебательный мультивибратор является популярным источником прямоугольных импульсов, полезным для многих приложений, таких как схемы синхронизации и звуковые извещатели. Один из наиболее распространенных способов генерации прямоугольных сигналов основан на использовании недорогого таймера 555. Иногда возникает необходимость в прямоугольных импульсах с фиксированной частотой, но переменной шириной импульса, или наоборот. Выполнить эти требования с помощью обычной автоколебательной схемы на основе 555 достаточно трудно. На Рисунке 1 показана модификация базовой схемы мультивибратора на таймере 555. Эту схему можно использовать для формирования стабильных импульсов, ширина и частота которых не зависят друг от друга и регулируются с помощью отдельных элементов управления. Выход 3 микросхемы таймера заряжает и разряжает конденсатор C1. Диоды D1 и D2 обеспечивают индивидуальные пути для зарядного и разрядного тока, соответственно. Два времязадающих потенциометра P1 и P2 управляют постоянной времени RC1 в течение циклов заряда и разряда.
| Рисунок 1. | Регулируя два потенциометра, можно независимо управлять шириной и частотой импульсов. |
При высоком уровне на выводе 3 микросхемы 555 конденсатор заряжается через R2 (часть P1, сопротивление которой зависит от положения движка потенциометра). Когда C1 заряжается до двух третей VCC, напряжение на выводе 3 опускается, и C1 разряжается через D2, P2 (сопротивление R1) и P1 (сопротивление R3). Когда напряжение на C1 достигает одной трети VCC, выходной уровень на выводе 3 вновь становится высоким. Процесс попеременного заряда и разряда С1 периодически повторяется, и результатом является выходной сигнал с требуемой шириной и частотой импульса. Поскольку прямое сопротивление диодов незначительно, ширина импульса равна
Период импульсов (величина, обратная частоте) равен
Таким образом, ширина импульса не зависит от положения движка потенциометра P2, а частота не зависит от положения движка потенциометра P1.
Материалы по теме
Перевод: AlexAAN по заказу РадиоЛоцман
Регулировка частоты и скважности на 555. Генератор прямоугольных импульсов на NE555
555 — аналоговая интегральная микросхема, универсальный таймер — устройство для формирования (генерации) одиночных и повторяющихся импульсов со стабильными временными характеристиками. Применяется для построения различных генераторов, модуляторов, реле времени, пороговых устройств и прочих узлов электронной аппаратуры. В качестве примеров применения микросхемы-таймера можно указать функции восстановления цифрового сигнала, искаженного в линиях связи, фильтры дребезга, двухпозиционные регуляторы в системах автоматического регулирования, импульсные преобразователи электроэнергии, устройства широтно-импульсного регулирования, таймеры и др.
В данной статье расскажу о построении генератора на этой микросхеме. Как написано выше мы уже знаем что микросхема формирует повторяющиеся импульсы со стабильными временными характеристиками, нам это и нужно.
Схема включения в астабильном режиме. На рисунке ниже это показано.
Так как у нас генератор импульсов, то мы должны знать их примерную частоту. Которую мы рассчитываем по формуле.
![]()
Значения R1 и R2 подставляются в Омах, C — в фарадах, частота получается в Герцах.
Время между началом каждого следующего импульса называется периодом и обозначается буковкой t. Оно складывается из длительности самого импульса — t1 и промежутком между импульсами — t2. t = t1+t2.
Частота и период — понятия обратные друг другу и зависимость между ними следующая:
f = 1/t.
t1 и t2 разумеется тоже можно и нужно посчитать. Вот так:
t1 = 0.693(R1+R2)C;
t2 = 0.693R2C;
С теорией закончили так что приступим к практике.
Разработал простенькую схему с доступными всем деталями.

Расскажу о ее особенностях. Как уже многие поняли, переключатель S2 используется для переключения рабочей частоты. Транзистор КТ805 используется для усиления сигнала (установить на небольшой радиатор). Резистор R4 служит для регулировки тока выходного сигнала. Сама микросхема служит генератором. Скважность и частоту рабочих импульсов изменяем резисторами R3 и R2. Диод служит для увеличения скважности(можно вообще исключить). Также присутствует шунт и индикатор работы, для него используется светодиод со встроенным ограничителем тока(можно использовать обычный светодиод ограничив ток резистором в 1 кОм). Собственно это все, далее покажу как выглядит рабочее устройство.
Вид сверху, видны переключатели рабочей частоты.

Снизу прикрепил памятку.
![]()
Данными подстроечными резисторами регулируется скважность и частота (на памятке видно их обозначение).

Сбоку выключатель питания и выход сигнала.

Список радиоэлементов
Электрический импульс — это кратковременный всплеск напряжения или силы тока. То есть это такое событие в цепи, при котором напряжение резко повышается в несколько раз, а затем так же резко падает к исходной величине. Самый понятный пример — электрический импульс, заставляющий наше сердце биться. Самое же большое количество импульсов возникает у нас в нервных клетках головного и спинного мозга. Мы мыслим и решаем уроки благодаря электрическим импульсам!
А что в электронике? В электронике импульсы применяются повсеместно. Например, в микроконтроллерах или даже в полноценных процессорах домашнего компьютера электрические импульсы задают ритм его работы. Они еще называются тактовыми, или синхро-импульсами. Порой быстродействие вычислительных машин сравнивают именно при помощи значений тактовой частоты.
Все данные внутри электронных устройств тоже передаются при помощи импульсов. Наш интернет, проводной и беспроводной, сотовая связь и даже пульт от телевизора — все используют импульсный сигнал. Попробуем выполнить несколько заданий и на собственном опыте понять особенности генерации электрических импульсов. А начнем мы со знакомства с их важными характеристиками.
1. Период и скважность импульсного сигнала
Представим себе, что мы готовимся к встрече Нового Года и нам просто необходимо сделать мигающую гирлянду. Поскольку мы не знаем, как заставить её мигать самостоятельно, сделаем гирлянду с кнопкой. Будем сами нажимать на кнопку, соединяя тем самым цепь гирлянды с источником питания и заставляя лампочки зажигаться.
Принципиальная схема гирлянды с ручным управлением будет выглядеть так:
Внешний вид макет

Собираем схему и проводим небольшой тест. Попробуем управлять гирляндой согласно нехитрому алгоритму:
- нажимаем на кнопку;
- ждем 1 секунду;
- отпускаем кнопку;
- ждем 2 секунды;
- переходим к пункту 1.
Это алгоритм периодического процесса. Нажимая на кнопку по алгоритму мы тем самым генерируем настоящий импульсный сигнал! Изобразим на графике его временную диаграмму.

У данного сигнала мы можем определить период повторения и частоту. Период повторения (T) — это отрезок времени, за который гирлянда возвращается в исходное состояние. На рисунке хорошо виден этот отрезок, он равен трем секундам. Величина обратная периоду повторения называется частотой периодического сигнала (F) . Частота сигнала измеряется в Герцах. В нашем случае:
F = 1/T = 1/3 = 0.33 Гц
Период повторения можно разбить на две части: когда гирлянда горит и когда она не горит. Отрезок времени, в течение которого гирлянда горит называется длительностью импульса (t) .
А теперь самое интересное! Отношение периода повторения (T) к длительности импульса (t) называется скважностью .
Скважность нашего сигнала равна S = 3/1 = 3. Скважность величина безразмерная.
В англоязычной литературе принят другой термин — коэффициент заполнения (Duty cycle) . Это величина, обратная скважности.
В случае нашей гирлянды коэффициент заполнения равен:
D = 1 / 3 = 0.33(3) ≈ 33%
Этот параметр более нагляден. D = 33% означает, что треть периода занята импульсом. А, например, при D = 50% длительность высокого уровня сигнала на выходе таймера будет равна длительности низкого уровня.
2. Генерация импульсного сигнала при помощи микросхемы 555
Теперь попробуем заменить человека и кнопку, ведь мы не хотим весь праздник включать и выключать гирлянду каждые 3 секунды.
В качестве автоматического генератора импульсов используем очень известную микросхему семейства 555. Микросхема 555 — это генератор одиночных или периодических импульсов с заданными характеристиками. По-другому данный класс микросхем называют таймерами.
Существуют разные модификации таймера 555, разработанные разными компаниями: КР1006ВИ1, NE555, TLC555, TLC551, LMC555. Как правило, все они имеют одинаковый набор выводов.

Также производители выделяют два режима работы таймера: одновибратор и мультивибратор. Нам подойдет второй режим, именно в нем таймер будет непрерывно генерировать импульсы с заданными параметрами.
Для примера, подключим к таймеру 555 один светодиод. Причем, используем вариант, когда положительный вывод светодиода соединяется с питанием, а земля к таймеру. Позже будет понятно, почему мы делаем именно так.
Принципиальная схема

Внешний вид макета

В этой схеме есть три компонента без номиналов: резисторы Ra и Rb, а также конденсатор C1 (далее просто C). Дело в том, что именно с помощью этих элементов настраиваются нужные нам характеристики генерируемого импульсного сигнала. Делается это с помощью несложных формул, взятых из технической документации к микросхеме.
T = 1/F = 0.693*(Ra + 2*Rb)*C; (1)
t = 0.693*(Ra + Rb)*C; (2)
Здесь F — частота сигнала; T — период импульса; t — его длительность; Ra и Rb — искомые сопротивления. Исходя из этих формул, коэффициент заполнения не может быть меньше 50% (иначе мы получим отрицательное значение сопротивления). Вот это новость! А что же нам делать с гирляндой? Ведь согласно нашей постановке, коэффициент заполнения импульсного сигнала должен быть непременно 33%.
Чтобы обойти это ограничение имеется два способа. Первый способ заключается в использовании другой схемы подключения таймера. Существуют более сложные схемы, которые позволяют варьировать параметр D во всем диапазоне от 0 до 100%. Второй способ не требует переделки схемы. Мы просто-напросто инвертируем выход таймера!
Собственно, в предложенной выше схеме мы это уже и сделали. Вспомним, что катод светодиода мы соединили с выводом таймера. В этой схеме светодиод будет гореть, когда на выходе таймера будет низкий уровень.
Раз так, то нам нужно настроить сопротивления Ra и Rb схемы так, чтобы коэффициент заполнения D был равен 66.6%. Учитывая, что T = 3 сек, а D = 0.66, получаем:
Ra = 3*1.44*(2*0.66 — 1)/0.0001 = 13824 Ом
Rb = 3*1.44*(1-D)/0.0001 = 14688 Ом
На самом деле, если мы будет использовать более точные значения D, то получим Ra = Rb = 14400 Ом. Вряд ли мы найдем резистор с таким номиналом. Скорее всего нам потребуется поставить последовательно несколько резисторов, например: один резистор на 10 КОм и 4 штуки на 1 КОм. Для большей точности можем добавить еще два резистора по 200 Ом.
В результате должно получиться что-то подобное:
В этой схеме используются резисторы на 15 КОм.
3. Подключение группы светодиодов к таймеру 555
Теперь, когда мы научились задавать нужный ритм, соберем небольшую гирлянду. В новой схеме пять светодиодов будут включаться на 0.5 сек каждую секунду. Для такого ритма Ra = 0, Rb = 7.2 кОм. То есть, вместо резистора Ra мы можем поставить перемычку.
Выход микросхемы 555 слишком слабый для того, чтобы одновременно зажечь 5 светодиодов. А ведь в настоящей гирлянде их может быть штук 15, 20 и более. Чтобы решить эту проблему, используем биполярный транзистор, работающий с режиме электронного ключа. Возьмем самый распространенный NPN транзистор 2N2222. Также в этой схеме можно использовать полевой N-канальный транзистор, например 2N7000.
Нашим светодиодам потребуется токозадающий резистор. Суммарный ток пяти параллельно соединенных светодиодов должен быть равен I = 20 мА*5 = 100 мА. Напряжение питания всей схемы 9 Вольт. На светодиоде красного цвета напряжение падает на 2 Вольта. Таким образом закон ома на данном участке цепи имеет вид:
отсюда R2 = 7В/0.1А = 70 Ом.
Округлим сопротивление до 100 Ом, которое можно получить параллельным соединением двух резисторов на 200Ом. А можно и вовсе оставить один резистор на 200Ом, просто светодиоды будут гореть немного тусклее.
Принципиальная схема

Внешний вид макета

Примечание. Конденсатор C2 в схеме можно не использовать.
Собираем схему, подключаем батарейку и наблюдаем за результатом. Если все работает как надо, закрепим полученные знания, сделав несколько забавных устройств.
Задания
- Генератор звука. В схеме гирлянды заменить группу светодиодов на пьезодинамик. Увеличить частоту звука, например, до 100 Гц. Если поднять частоту до 15 кГц, то можно будет отпугивать комаров!
- Железнодорожный светофор. Подключить к таймеру два светодиода таким образом, чтобы один соединялся с таймером катодом, а второй анодом. Установить частоту импульсов — 1 Гц.
Заключение
Как уже говорилось, таймер 555 — очень популярная микросхема. Это объясняется тем, что большинству электронных устройств свойственны периодические процессы. Любой звук — это периодический процесс. ШИМ сигнал, управляющий скоростью двигателя — тоже периодический, причем с изменяющимся коэффициентом заполнения. И как уже говорилось, работа любого микроконтроллера и процессора основана на тактовом сигнале, имеющем очень точную частоту.
На следующем уроке мы сделаем бинарные часы с помощью таймера и двоичного счетчика. Будет немного сложнее, но интереснее!
Путь в радиолюбительство начинается, как правило, с попытки сборки несложных схем. Если сразу же после сборки схема начинает подавать признаки жизни, — мигать, пищать, щелкать или разговаривать, то путь в радиолюбительство почти открыт. Насчет «разговаривать», скорее всего, получится не сразу, для этого придется прочитать немало книг, спаять и наладить некоторое количество схем, может быть, сжечь большую или маленькую кучу деталей (лучше маленькую).
А вот мигалки и пищалки получаются практически у всех и сразу. И лучшего элемента, чем найти для этих опытов, просто не удастся. Для начала рассмотрим схемы генераторов, но перед этим обратимся к фирменной документации — DATA SHEET. Прежде всего, обратим внимание на графическое начертание таймера, которое показано на рисунке 1.
А на рисунке 2 показано изображение таймера из отечественного справочника. Здесь оно приведено просто для возможности сравнения обозначений сигналов у них и у нас, к тому же «наша» функциональная схема показана более подробно и понятно.
Одновибратор на базе 555
На рисунке 3 изображена схема одновибратора. Нет, это не половинка мультивибратора, хотя сам он вырабатывать колебания не может. Ему требуется посторонняя помощь, пусть даже небольшая.

Рисунок 3. Схема одновибратора
Логика действия одновибратора достаточно проста. На вход запуска 2 подается кратковременный импульс низкого уровня, как показано на рисунке. В результате на выходе 3 получается прямоугольный импульс длительностью ΔT = 1,1*R*C. Если подставить в формулу R в омах, а C в фарадах, то время T получится в секундах. Соответственно при килоомах и микрофарадах результат будет в миллисекундах.
А на рисунке 4 показано, как сформировать запускающий импульс с помощью простой механической кнопки, хотя это вполне может быть полупроводниковый элемент, — микросхема или транзистор.

В целом одновибратор (иногда называют моновибратор, а у бравых военных в ходу было слово кипп-реле) работает следующим образом. При нажатии на кнопку, импульс низкого уровня на выводе 2 приводит к тому, что на выходе таймера 3 устанавливается высокий уровень. Неспроста этот сигнал (вывод 2) в отечественных справочниках называется запуском.
Транзистор, соединенный с выводом 7 (DISCHARGE) в этом состоянии закрыт. Поэтому, ничто не мешает заряжаться времязадающему конденсатору C. Во времена кипп-реле, конечно, никаких 555 не было, все делалось на лампах, в лучшем случае на дискретных транзисторах, но алгоритм работы был такой же.
Пока конденсатор заряжается, на выходе удерживается напряжение высокого уровня. Если в это время на вход 2 подать еще импульс, состояние выхода не изменится, длительность выходного импульса таким образом уменьшить или увеличить нельзя, повторного запуска одновибратора не произойдет.
Другое дело, если подать импульс сброса (низкий уровень) на 4 вывод. На выходе 3 сразу же появится низкий уровень. Сигнал «сброс» имеет высший приоритет, и поэтому может быть подан в любой момент.
По мере заряда напряжение на конденсаторе возрастает, и, в конце концов, достигает уровня 2/3U. Как было рассказано в предыдущей статье, это есть уровень срабатывания, порог, верхнего компаратора, который приводит к сбросу таймера, что является окончанием выходного импульса.
На выводе 3, появляется низкий уровень и в этот же момент открывается транзистор VT3, который разряжает конденсатор C. На этом формирование импульса заканчивается. Если после окончания выходного импульса, но не раньше, подать еще один запускающий импульс, то на выходе сформируется выходной, такой же, как и первый.
Конечно, для нормальной работы одновибратора запускающий импульс должен быть короче, чем импульс, формирующийся на выходе.
На рисунке 5 показан график работы одновибратора.

Рисунок 5. График работы одновибратора
Как можно использовать одновибратор?
Или как говаривал кот Матроскин: «А какая от этого одновибратора польза будет?» Можно ответить, что достаточно большая. Дело в том, что диапазон выдержек времени, который можно получить от этого одновибратора, может достигать не только несколько миллисекунд, но и доходить до нескольких часов. Все зависит от параметров времязадающей RC цепочки.
Вот, пожалуйста, почти готовое решение для освещения длинного коридора. Достаточно дополнить таймер исполнительным реле или нехитрой тиристорной схемой, а в концах коридора поставить пару кнопок! Кнопку нажал, прошел коридор, и не надо заботиться о выключении лампочки. Все произойдет автоматически по окончании выдержки времени. Ну, это просто информация к размышлению. Освещение в длинном коридоре, конечно, не единственный вариант применения одновибратора.
Как проверить 555?
Проще всего спаять несложную схему, для этого почти не понадобится навесных деталей, если не считать таковыми единственный переменный резистор и светодиод для индикации состояния выхода.
У микросхемы следует соединить выводы 2 и 6 и подать на них напряжение, изменяемое переменным резистором. К выходу таймера можно подсоединить вольтметр или светодиод, конечно же, с ограничительным резистором.
Но можно ничего и не паять, более того, провести опыты даже при «наличии отсутствия» собственно микросхемы. Подобные исследования можно проделать с помощью программы — симулятора Multisim. Конечно, такое исследование очень примитивно, но, тем не менее, позволяет познакомиться с логикой работы таймера 555. Результаты «лабораторной работы» показаны на рисунках 6, 7 и 8.
![]()
На этом рисунке можно увидеть, что входное напряжение регулируется переменным резистором R1. Около него можно рассмотреть надпись «Key = A», говорящую о том, что величину резистора можно изменять, нажимая клавишу A. Минимальный шаг регулировки 1%, вот только огорчает, что регулирование возможно лишь в сторону увеличения сопротивления, а уменьшение возможно только «мышкой».
На этом рисунке резистор «уведен» до самой «земли», напряжение на его движке близко к нулю (для наглядности измеряется мультиметром). При таком положении движка на выходе таймера высокий уровень, поэтому выходной транзистор закрыт, и светодиод LED1 не светится, о чем говорят его белые стрелки.
На следующем рисунке показано, что напряжение несколько увеличилось.

Но увеличение происходило не просто так, а с соблюдением некоторых границ, а, именно, порогов срабатывания компараторов. Дело в том, что 1/3 и 2/3, если выразить в десятичных дробях в процентах будут 33,33… и 66,66… соответственно. Именно в процентах показана введенная часть переменного резистора в программе Multisim. При напряжении питания 12В это получится 4 и 8 вольт, что достаточно удобно для исследования.
Так вот, на рисунке 6 показано, что резистор введен на 65%, а напряжение на нем 7,8В, что несколько меньше расчетных 8 вольт. При этом светодиод на выходе погашен, т.е. на выходе таймера до сих пор высокий уровень.

Дальнейшее незначительное увеличение напряжения на входах 2 и 6, всего на 1 процент (меньше не дают возможности программы) приводит к зажиганию светодиода LED1, что и показано на рисунке 8, — стрелочки возле светодиода приобрели красный оттенок. Такое поведение схемы говорит о том, что симулятор Multisim работает достаточно точно.
Если продолжить увеличивать напряжение на выводах 2 и 6, то никакого изменения на выходе таймера не произойдет.
Генераторы на таймере 555
Диапазон частот, генерируемый таймером, достаточно широк: от самой низкой частоты, период которой может достигать нескольких часов, до частот в несколько десятков килогерц. Все зависит от элементов времязадающей цепи.
Если не требуется строго прямоугольная форма сигнала, то можно сгенерировать частоту до нескольких мегагерц. Иногда такое вполне допускается, — форма не важна, но импульсы присутствуют. Чаще всего такая небрежность по поводу формы импульсов допускается в цифровой технике. Например, счетчик импульсов реагирует на фронт или спад импульса. Согласитесь, в этом случае «прямоугольность» импульса никакого значения не имеет.
Генератор импульсов формы меандр
Один из возможных вариантов генератора импульсов формы меандр показан на рисунке 9.

Рисунок 9. Схема генераторов импульсов формы меандр
Временные диаграммы работы генератора показаны на рисунке 10.

Рисунок 10. Временные диаграммы работы генератора
Верхний график иллюстрирует сигнал на выходе (вывод 3) таймера. А на нижнем графике показано, как изменяется напряжение на времязадающем конденсаторе.
Все происходит точно так же, как уже было рассмотрено в схеме одновибратора показанной на рисунке 3, только не используется запускающий одиночный импульс на выводе 2.
Дело в том, что при включении схемы на конденсаторе C1 напряжение равно нулю, именно оно и переведет выход таймера в состояние высокого уровня, как показано на рисунке 10. Конденсатор C1 начинает заряжаться через резистор R1.
Напряжение на конденсаторе возрастает по экспоненте до тех пор, пока не достигнет порога верхнего порога срабатывания 2/3*U. В результате таймер переключается в нулевое состояние, поэтому конденсатор C1 начинает разряжаться до нижнего порога срабатывания 1/3*U. По достижении этого порога на выходе таймера устанавливается высокий уровень и все начинается сначала. Формируется новый период колебаний.
Здесь следует обратить внимание на то, что конденсатор C1 заряжается и разряжается через один и тот же резистор R1. Поэтому время заряда и разряда равны, а, следовательно, форма колебаний на выходе такого генератора близка к меандру.
Частота колебаний такого генератора описывается очень сложной формулой f = 0,722/(R1*C1). Если сопротивление резистора R1 при расчетах указать в Омах, а емкость конденсатора C1 в Фарадах, то частота получится в Герцах. Если же в этой формуле сопротивление будет выражено в килоомах (КОм), а емкость конденсатора в микрофарадах (мкФ) результат получится в килогерцах (КГц). Чтобы получился генератор с регулируемой частотой, то достаточно резистор R1 заменить переменным.
Генератор импульсов с регулируемой скважностью
Меандр, конечно, хорошо, но иногда возникают ситуации, требующие регулирования скважности импульсов. Именно так осуществляется регулирование частоты вращения двигателей постоянного тока (ШИМ регуляторы), это которые с постоянным магнитом.
Меандром называют прямоугольные импульсы, у которых время импульса (высокий уровень t1) равно времени паузы (низкий уровень t2). Такое название в электронику пришло из архитектуры, где меандром называют рисунок кирпичной кладки. Суммарное время импульса и паузы называют периодом импульса (T = t1 + t2).
Скважность и Duty cycle
Отношение периода импульса к его длительности S = T/t1 называется скважностью. Это величина безразмерная. У меандра этот показатель равен 2, поскольку t1 = t2 = 0,5*T. В англоязычной литературе вместо скважности чаще применяется обратная величина, — коэффициент заполнения (англ. Duty cycle) D = 1/S, выражается в процентах.
Если несколько усовершенствовать генератор, показанный на рисунке 9, можно получить генератор с регулируемой скважностью. Схема такого генератора показана на рисунке 11.

В этой схеме заряд конденсатора C1 происходит по цепи R1, RP1, VD1. Когда напряжение на конденсаторе достигнет верхнего порога 2/3*U, таймер переключается в состояние низкого уровня и конденсатор C1 разряжается по цепи VD2, RP1, R1 до тех пор, пока напряжение на конденсаторе не упадет до нижнего порога 1/3*U, после чего цикл повторяется.
Изменение положения движка RP1 дает возможность регулировать длительность заряда и разряда: если длительность заряда возрастает, то уменьшается время разряда. При этом период следования импульса остается неизменным, меняется только скважность, или коэффициент заполнения. Ну, это как кому удобней.
На основе таймера 555 можно сконструировать не только генераторы, но и еще много полезных устройств, о которых будет рассказано в следующей статье. Кстати, существуют программы — калькуляторы для расчета частоты генераторов на таймере 555, а в программе — симуляторе Multisim для этих целей есть специальная закладка.
Продолжение статьи:
Генератор на NE555 с регулировкой частоты
К слову, микроконтроллер NE555 был разработан еще в 1971 году и настолько удачно, что его применяют даже в настоящее время. Существует множество аналогов, более функциональных моделей, модификаций и т.п., но оригинальный чип по-прежнему актуален.
Микросхема представляет собой интегральный таймер. В настоящее время выпускается преимущественно в DIP-корпусах (ранее были версии в круглых металлических).
Функциональная схема выглядит следующим образом.

Рис. 1. Функциональная схема
Может работать в одном из двух основных режимов:
1. Мультивибратор (моностабильный);
2. Генератор импульсов.
Нас интересует только последний вариант.
Простой генератор на NE555
Наиболее простая схема представлена ниже.

Рис. 2. Схема генератора на NE555
Для наглядности далее представлен график выходного напряжения с сопоставлением заряда конденсатора C.

Рис. 3. График выходного напряжения
Таким образом, расчет частоты колебаний (с периодом t на графике) будет выполняться на основе следующей формулы:
f = 1 / (0,693*С*(R1 + 2*R2)),
соответственно формула полного периода:
t = 0,693*С*(R1 + 2*R2).
Время импульса (t1) считается так:
t1 = 0,693 * (R1 + R2) * C,
тогда промежуток между импульсами (t2) – так:
t2 = 0,693 * R * 2 * C
Изменяя значения резисторов и конденсатора, можно получить требуемую частоту с заданным временем длительности импульсов и паузы между ними.
Регулируемый генератор частоты на NE555
Самый простой вариант – это переработка нерегулируемой схемы генератора.

Рис. 4. Схема генератора
Здесь второй резистор заменяется на два регулируемых включенных со встречно-параллельными диодами.
Другой вариант регулируемого генератора на таймере 555.

Рис. 5. Схема регулируемого генератора на таймере 555
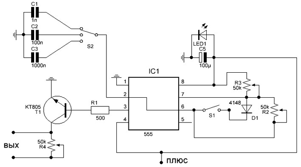
Здесь положением переключателя (за счет включения нужного конденсатора) можно изменить регулируемый диапазон частот:
- 3-153 Гц;
- 437-21000 Гц;
- 1,9-95 кГц.
Включатель перед диодом D1 увеличивает скважность, его можно даже не использовать в схеме (при его работе может незначительно изменяться частотный диапазон).
Транзистор лучше всего смонтировать не теплоотводе (можно даже на небольшом).
Скважность и частоту регулируют переменные резисторы R3 и R2.
Еще одна вариация с регулированием.

Рис. 6. Схема регулируемого генератора
IC1 – это таймер NE555N.
Транзистор – высоковольтный полевой (чтоб свести к минимуму эффект нагрева даже при высоких токах).
Чуть более сложная схема, работающая с большим числом диапазонов регулирования.

Рис. 7. Схема, работающая с большим числом диапазонов регулирования
Все детали уже обозначены на схеме. Регулируется за счет включения одного из диапазонов (на конденсаторах C1-C5) и потенциометрами P1 (отвечает за частоту), P4 (отвечает за амплитуду).
Схема требует двуполярного питания!
Мнения читателей
- Иваныч / 20.06.2023 — 23:57 «. Да уберите же наконец схему на рис 5. При таком включении выходного транзистора, при положении движка потенциометра R4 в крайне верхнем положении он просто сгорит.Да и вообще схема сырая»Это с чего вдруг. При перемещении ползунка резистора вверх, произойдёт всего лишь закорачивание клемм выходы сигнала, и всё! Ведь согласно схеме, ни одна из выходных клемм не связана ни с «+», ни с «-» источника питания. А для того чтобы транзистор сгорел, необходимо приложить к нему либо высокое напряжение, либо пропустить через него ток превышающий его возможности! А согласно схемы, получается что транзистор может сгореть либо в результате большого тока в цепи база-эмиттер, попутно унеся с собой в вальгаллу резистор R1, либо в результат удара молнии в устройство!Вот если нижнюю точку переменного резистора соединить с «+» питания, то да, будет так как ты сказал, но на схеме подобного соединения нет! Выходные клеммы просто зашунтированы резистором и всё. По итогу, указанное устройство может работать только как переменный резистор с номиналом 50кОм, а все остальные элементы на схеме, просто лишние.
- Иван-Иван / 23.07.2021 — 17:13 Микроконтроллер — ? Пиз**** статьи друг у друга, но хоть проверяйте что пи**** . И если у человека имя меньше 5 символов, то что ему уже и комментарий нельзя оставить ? Да .
- Алекс / 01.05.2021 — 18:57 Ко всему вышесказанному, 555 — микроконтроллер! Крутой МК.
- Василий Зубенко / 25.01.2021 — 23:44 «Транзистор – высоковольтный полевой (чтоб свести к минимуму эффект нагрева даже при высоких токах)».Исправьте этот бред.
- Макс / 02.07.2020 — 22:46 Люди,это всё фуфло изобретателей велосипедов
- Евгений / 15.05.2020 — 10:18 Да уберите же наконец схему на рис 5. При таком включении выходного транзистора, при положении движка потенциометра R4 в крайне верхнем положении он просто сгорит.Да и вообще схема сырая.
- Владимир / 06.05.2020 — 09:21 Подскажите пожалуйста, откудава взалась константа 0,693? Это не пороговое срабатывание микросхемы случайно?
- сергей / 08.04.2020 — 20:09 Покажите человека у которого устройство показаное на Рис.7.работает.Столько ошибок -это даже восхищает!D6,Pin 4,8(555),про точки соединений я промолчу.А уж «земля»-виртуальный блеск!Постыдились-бы ребята.
- Valentin / 16.06.2019 — 18:53 Под Рис.3 в формуле для длительности паузы между импульсами следует убрать лишнюю звездочку и привести формулу к видуt2=0,693×R2×C
- shadi abusalim / 03.09.2018 — 13:55 Пожалуйста, помогите вам использовать электронную схему, используя встроенный 555Чтобы отрегулировать ширину импульса и управлять им, чтобы добавить управление в вспышку, тушите и зажигайте лампу в том же кругеЧастота цепи должна составлять до 500 кГцСуществует круг, расположенный на сайте, похожий, но слегка колеблетсяmail shadi_abusalim@yahoo.comThe current and frequency are controlled by the variable resistors R3 and R2.Another variation with regulation.Fig. 6. Scheme of the regulated generator